全国免费热线
0731-82042415
国家标准煤中氟的测定-长沙元德
2018-07-24 06:05:31
国家标准煤中氟的测定方法
1 方法提要
煤样在氧气和水蒸气混合气流中燃烧和水解,煤中氟全部转化为挥发性氟化物(S1F4及HF)并定量地溶于水中,
以氟电极为指示电极,饱和甘汞电极为参比电极,用标准加入法测定样品溶液中氟离子浓度,计算出煤样中氟含量。
2 试剂和材料
除非另有说明,在分析中仅使用确认为合格的分析纯试剂和蒸馏水或去离子水或相当纯度的水。
2.1 水:GB/T 6682,二经。
2.2 石英砂(SIO2):粒度0.5mm~1.0mm。
2.3 氧气:纯度99.5%以上。
2.4 无水乙醇:相对密度(20ºC)0.79 g/mL。
2.5 氢氧化纳溶液:10 g/L,称取1g优级纯氢氧化钠溶于100mL水中。
2.6 硝酸溶液:(1+5)(V1+V2)。量取体积为20 mL(V1)的优级纯浓硝酸倒入体积为100 mL(V2)水中混匀。
2.7 总离子强度调节缓冲溶液:称取294.0 g二水合柠檬酸三钠(Na3C6H5O7.2H2O)和20.0 g硝酸钾溶于约800mL水中,
用硝酸溶液调节溶液的pH至6.0,再用水稀释到1L,贮于不含氟的塑料瓶中备用。
2.8 氟标准储备溶液:1000µg/mL:称取预先在120ºC干燥约2h的优级纯氟化钠2.210 1g于烧杯中,加水溶解,用水洗
入1000mL容量瓶中并稀释到刻度,摇匀,贮于不含氟的塑料瓶中作为储备液备用。
注:氟标准储备溶液也可直接购买有证标准物质溶液。
2.9 氟标准工作溶液:100 ug/mL,250 ug/mL,500 ug/mL。用氟标准储备溶液分别配制100 ug/mL、250 ug/mL、
500 ug/mL的标准工作溶液。贮于不含氟的塑料瓶中备用。
2.10 溴甲酚绿指示剂:乙醇溶液10g/L。称取1g溴甲酚绿指示剂溶于100mL无水乙醇中。
2.11 瓷舟:长约77mm,高约8mm,耐温1100ºC以上。
2.12 进样推杆:带硅胶塞,顶端弯曲成圆盘状,耐高温1100ºC以上的金属杆。
2.13 单标线容量瓶:100mL,A级。
2.14 单标记移液管:1 mL,2 mL,5 mL和10 mL,A级。
3 仪器设备
3.1 高温燃烧水解装置(图1)

1-容量瓶; 2-冷凝管; 3-高温炉; 4-瓷舟; 5-铂铑一铂热电偶; 6-进样推棒; 7-燃烧管;
8-氧气钢瓶; 9-调温电炉; 10 -平底磨口烧瓶。
图1 高温燃烧--水解装置
3.1.1 高温炉:能加热到1100ºC以上,有80mm~90mm长的(1100+10)ºC的恒温区,配有自动温度控制器。
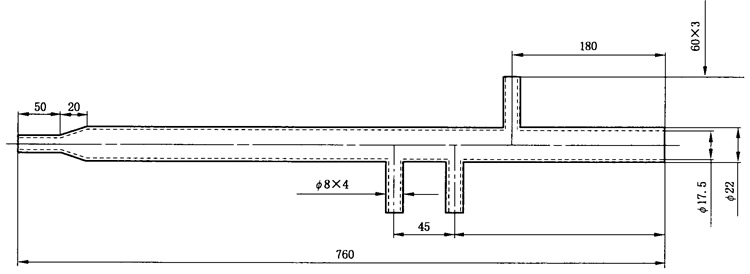
3.1.2 燃烧管:石英制,能耐1200ºC以上,规格尺寸见图2.

图2 燃烧管
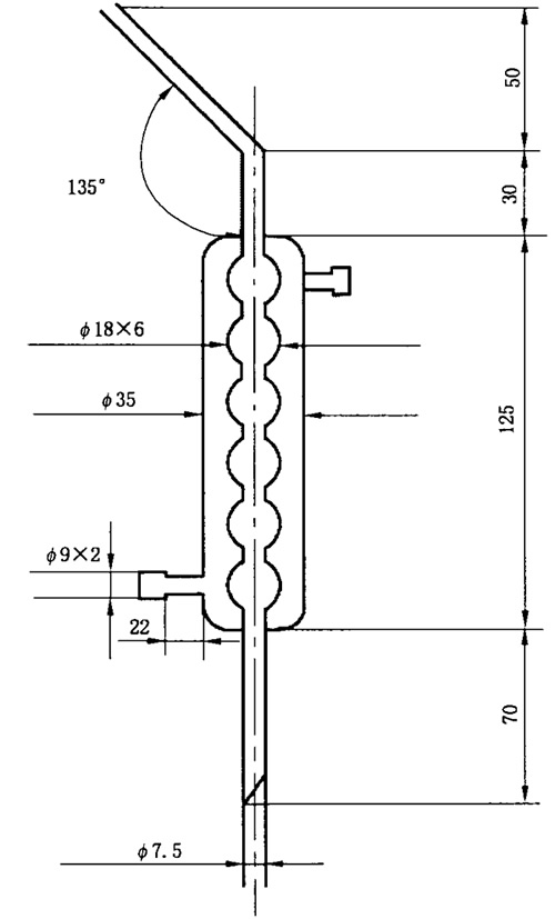
3.1.3 冷凝管:蛇形,规格尺寸见图3

图3 冷凝管
3.1.4 流量计:量程1000mL/min,最小分度10mL/min
3.2 电位测量装置(图4)

说明:
1-数字式离子计/毫伏计;2-搅拌子;3-烧杯;4-饱和甘汞电极;5-氟离子选择电极;6-电磁搅拌器
图4 测量电位装置示意图
3.2.1 电磁搅拌器:搅拌速度连续可调
3.2.2 氟离子选择电极:线性范围10-1rnol/L~l0-5mol/L。
3.2.3 饱和甘汞电极:内阻≤10 kΩ
3.2.4 数字式离子计:输入阻抗大于≤10 kΩ;分辨率0.1mV,也可用性能相同的数字式毫伏计。
3.3 分析天平
最小分度值0.1mg
4 煤样高温燃烧水解
4.1 仪器设备
4.1.1 按图1所示装配好全套仪器,连接好电路,扬中和冷却水路,燃烧管出气口端塞进少许耐高温棉。将高温炉
升温到1100ºC,用另一组铂铑-铂热电偶高温计测定300ºC,600ºC和900ºC三个温区位置以及燃烧管中高温
带1100ºC的位置和长度,
4.1.2 往平底烧瓶中加入约300mL水并加热至沸腾,开通冷凝管冷却水。塞紧进样推棒硅胶塞,在平底烧瓶中水沸腾
之前通入氧气,调节氧气流量为400mL/min,水蒸气发生器水的蒸发量约2mL/min,检查系统不漏气后,通入水
蒸气和氧气空蒸15min,46.2燃烧水解。
4.2.1 称取(0.50±0.01)g 一般分析试验煤样(称取至0.1mg)和0.5g石英砂放在瓷舟里小心混合均匀,再用约0.5g石英
砂铺盖在上面。
4.2.2 将100mL容量瓶放在冷凝管下端接收冷凝液,通入氧气和水蒸气,取下进样推杆,把瓷舟放在燃烧管内,插入进样
推杆,塞紧硅胶塞。将瓷舟的前端推到预先测好的300ºC区域停留5min,接着推进到约600ºC区停留5min,再推
进到约900ºC区停留5min,最后把瓷舟推到1100ºC的恒温区,退回进样推杆,样品在恒温区继续燃烧分解15min,
在整个操作过程中,调节水蒸气发生器的蒸发量,水解开始15min内,容量瓶中每分钟收集约3mL,后15min,每
分钟收集约2.5mL,最后总体积应控制在85mL以内。
4.2.3 往盛有冷凝液的容量瓶中加3滴溴甲酚绿指示剂,用氢氧化钠溶液中和到指示剂变蓝,加入10mL总离子强度调节缓
冲溶液,用水稀释到刻度,摇匀,静置30min。
5 电位测量57.1 滴定准备
在100mL烧杯中加入一定量的水,按图4连接好的电位测量装置,开动搅拌器,更换烧杯中水数次,直至数字式离子计
(或毫伏计)显示的电位极达到氟电极的空白电位。
5.2 氟电极实际斜率测定
5.2.1 在5个用水冲洗过的100mL容量瓶中,分别加入100µg/mL的氟标准工作溶液1mL、3mL、5mL、7mL、10mL,加
入3滴溴甲酚绿指示剂,10mL总离子强度调节缓冲溶液,用水稀释到刻度,摇匀,静置30min。
5.2.2 将溶液倒入100mL烧杯中,用电位测量装置测量电位,测量每个标准溶液时,电极插入深度、搅拌速度等要求一致。
测量完一个试液后应将氟电极在水中清洗,直至达到空白电位值,再进行下一个试液测定。
5.2.3 以溶液的响应电位(mV)为纵坐标,相应的浓度对数值为横坐标,在单对数坐标纸上作图,曲线上lgC =0和lgC =1
两点所对应的响应电位之差即为该电极的实际斜率,或利用一元线性回归方程计算该电极的实际斜率。当电极实际斜
率低于55.0时,则应抛光电极,或更换新的电极。
注:氟离子选择电极斜率理论值为59.2,当电极实际斜率低于55.0时,则抛光电极或更换新的电极。
5.3 样品溶液电位测量
将制备好的样品溶液转入100mL烧杯中,放入搅拌子,插入氟电极和饱和甘汞电极(插入深度、搅拌速度应和测量氟电极实际
斜率时一致),开动搅拌器,待电位稳定后记录响应电位值E1,立即加入1.00mL氟标准溶液,待电位值稳定后记录响应电位
值E2。
注:加入的标准氟含量(Cs×Vs)宜大于试液中氟含量(Cx×Vx)4倍,在实际操作中间可根据E1的数值选择加入不同氟含量标准溶液
的浓度,控制ΔE在20 mV~40 mV。
